The LRES1060PT-RJ45 is a 10G single-port Ethernet network adapter developed by Linkreal Co., Ltd. based on the Intel E610 chip. It utilizes a PCIe4.0x4 interface, supports 100M/1/2.5/5/10Gbps auto-sensing, and integrates PXE/UEFI, WOL, SR-IOV, and 1588PTP. It offers low power consumption and high security.
The LRES1060PT-RJ45 demonstrates exceptional value in data centers, network equipment, embedded systems, and edge IoT applications. It meets the needs of efficient data transmission, balances deployment flexibility with operational simplicity, and provides a stable and reliable Ethernet access solution for diverse network environments, balancing performance and cost.
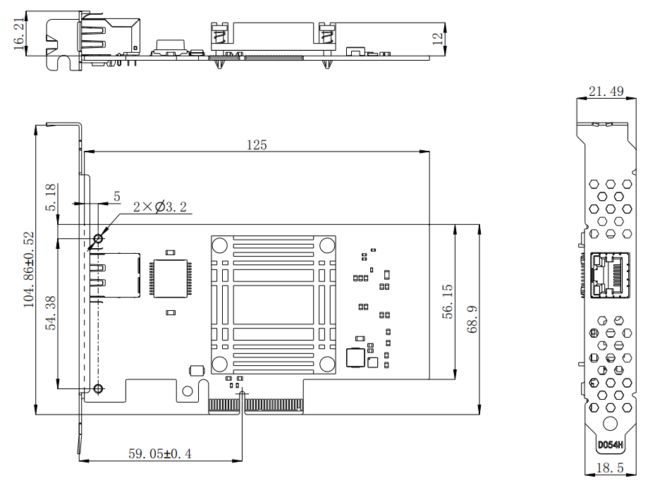
Product Specifications
Model | LRES1060PT-RJ45 |
Controller | Intel E610 |
Host Connector | PCIe4.0 x4 |
Connector | RJ45 |
Port | Single port |
Link Speed | 100M/1G/2.5G/5G/10G |
Cable medium | CAT6A, or CAT7, Supporting distances up to 100M |
Power Supply | PCIe Supply |
Protocol Support | IEEE 802.3an 10GBASE-T IEEE 802.3-2012 1000BASE-T/100BASE-TX IEEE 802.1Q VLAN IEEE 1588 IEEE P802.1AE/D5.1 IEEE 802.3az IEEE 802.1BR/D3.3 IEEE 802.1Qbg |
Functional Support
PXE/UEFI | Yes |
WoL | Yes |
SR-IOV | Yes |
1588 PTP | Yes |
Jumbo Frames | 9.2KB |
Power Consumption
3.2 W(Max) |
LED Indicators
LED Type | Color/Behavior | Note |
Link | Off | No link |
Green | Link | |
Activity | Off | No Activity |
Green(blink) | Linkup(traffic flowing) |
Technical Specifications
Operating Temperature | -10°C to 60°C |
Storage Temperature | -40°C to 70°C |
Storage Humidity | Maximum: 90% non-condensing relative humidity at 35 °C |
Certification | FCC, CE, RoHS |
Physical Properties
PCB Size | 115*76*1.6mm |
Package Size | 179*150*30mm |
Packing List
Internet Network Adapter | *1 |
Product Warranty Card | *1 |
Packaging | Carton + Anti-static bag |
